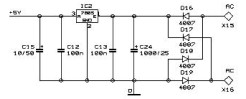
FCB1010 Full Bridge Rectifier

by

Bridge Rectifier


Comments

Leave a Reply

Your email address will not be published. Required fields are marked *